masterbathroom masterbathroom
Каталог
Смесители
Душевая программа
Керамика
Душевые ограждения
Мебель для ванной комнаты
Дренажные каналы и трапы
Ванны
Инсталляции и панели смыва
Аксессуары
Комплектующие
Новинки
Распродажа
    • Гигиенические души
      • С термостатом
      • Прогрессивный картридж
      • Традиционное управление
      • С запорным вентелем
    • Для биде
      • С донным клапаном
      • Без донного клапана
    • Для ванны и душа
      • Для ванны
      • Для душа
    • Для кухни
    • Для раковины
      • На раковину
      • Для накладных раковин
      • Скрытого монтажа
      • Напольные
      • Потолочные
      • Ручки для смесителей
    • Профессиональные
      • Для парикмахерских
      • Медицинские
    • Сенсорные и порционные
      • Сенсорные
      • Порционные
    • Смесители скрытого монтажа
      • Боксы
      • Однопозиционные
      • Двухпозиционные
      • Трёхпозиционные
      • Четырёхпозиционные
      • Пятипозиционные
    • Термостатические смесители
      • Настенного монтажа
      • Скрытого монтажа
    • Наборы смесителей
    • Верхний душ
      • Для кронштейна
      • Настенные
      • Потолочные
    • Держатели ручного душа
      • Без шлангового подключения
      • С шланговым подключением
      • Комплекты для душа
    • Дивертеры
    • Душевые системы
      • Внешнего монтажа
      • Скрытого монтажа
      • Напольные
    • Душевые стойки
      • Комплекты для душа
      • Стойки для душа
      • Мыльницы для штанги
    • Изливы
      • Настенные изливы
      • Потолочные изливы
      • В борт ванны
      • Напольные
    • Кронштейны
      • Настенные
      • Потолочные
    • Ручной душ
    • Форсунки
    • Шланги
    • Шланговые подключения
    • Унитазы
      • Подвесные
      • Приставные
      • Моноблок
    • Биде
      • Подвесные
      • Приставные
    • Комплектующие
      • Донные клапаны
      • Крепёж
      • Крышки и сиденья
      • Бачки и механизмы смыва
      • Переливные крышки
    • Раковины
      • Накладные
      • Напольные
      • Подвесные
    • Двери в нишу
    • Walk-In
    • Душевые углы
      • Двери
      • Боковые стенки
      • Комплекты
    • Шторки для ванны
    • Аксессуары для душевой зоны
    • Готовые комплекты
    • Тумбы для раковин
    • Мебельные раковины
    • Пеналы и шкафы
    • Зеркала
    • Полки
    • Дренажные каналы
    • Трапы
    • Акриловые
      • Отдельностоящие
    • Из композитного материала
      • Отдельностоящие
      • Пристеночные
    • Для биде
    • Для унитаза
    • Кнопки и панели смыва
    • Вёдра
    • Держатели туалетной бумаги
    • Дозаторы
    • Ёршики
    • Крючки
    • Мыльницы
    • Полки
    • Полотенцедержатели
    • Прочие аксессуары
    • Стаканы
    • Аэраторы
    • Донные клапаны
      • Универсальные
      • С переливом
      • Без перелива
      • Незапираемые
    • Запорные вентили
    • Картриджи
    • Подводка
      • Гибкая
      • Жёсткая
    • Сифоны
    • Сливы-переливы для ванн
    • Наборы комплектующих
Сравнение0
Избранные товары 0
Корзина 0
Войти
  • Доставка и оплата
  • Контакты
  • О нас
  • Бренды
  • Сервисный центр
  • ...
    masterbathroom masterbathroom
    Каталог
    Смесители
    Душевая программа
    Керамика
    Душевые ограждения
    Мебель для ванной комнаты
    Дренажные каналы и трапы
    Ванны
    Инсталляции и панели смыва
    Аксессуары
    Комплектующие
    Новинки
    Распродажа
      • Гигиенические души
        • С термостатом
        • Прогрессивный картридж
        • Традиционное управление
        • С запорным вентелем
      • Для биде
        • С донным клапаном
        • Без донного клапана
      • Для ванны и душа
        • Для ванны
        • Для душа
      • Для кухни
      • Для раковины
        • На раковину
        • Для накладных раковин
        • Скрытого монтажа
        • Напольные
        • Потолочные
        • Ручки для смесителей
      • Профессиональные
        • Для парикмахерских
        • Медицинские
      • Сенсорные и порционные
        • Сенсорные
        • Порционные
      • Смесители скрытого монтажа
        • Боксы
        • Однопозиционные
        • Двухпозиционные
        • Трёхпозиционные
        • Четырёхпозиционные
        • Пятипозиционные
      • Термостатические смесители
        • Настенного монтажа
        • Скрытого монтажа
      • Наборы смесителей
      • Верхний душ
        • Для кронштейна
        • Настенные
        • Потолочные
      • Держатели ручного душа
        • Без шлангового подключения
        • С шланговым подключением
        • Комплекты для душа
      • Дивертеры
      • Душевые системы
        • Внешнего монтажа
        • Скрытого монтажа
        • Напольные
      • Душевые стойки
        • Комплекты для душа
        • Стойки для душа
        • Мыльницы для штанги
      • Изливы
        • Настенные изливы
        • Потолочные изливы
        • В борт ванны
        • Напольные
      • Кронштейны
        • Настенные
        • Потолочные
      • Ручной душ
      • Форсунки
      • Шланги
      • Шланговые подключения
      • Унитазы
        • Подвесные
        • Приставные
        • Моноблок
      • Биде
        • Подвесные
        • Приставные
      • Комплектующие
        • Донные клапаны
        • Крепёж
        • Крышки и сиденья
        • Бачки и механизмы смыва
        • Переливные крышки
      • Раковины
        • Накладные
        • Напольные
        • Подвесные
      • Двери в нишу
      • Walk-In
      • Душевые углы
        • Двери
        • Боковые стенки
        • Комплекты
      • Шторки для ванны
      • Аксессуары для душевой зоны
      • Готовые комплекты
      • Тумбы для раковин
      • Мебельные раковины
      • Пеналы и шкафы
      • Зеркала
      • Полки
      • Дренажные каналы
      • Трапы
      • Акриловые
        • Отдельностоящие
      • Из композитного материала
        • Отдельностоящие
        • Пристеночные
      • Для биде
      • Для унитаза
      • Кнопки и панели смыва
      • Вёдра
      • Держатели туалетной бумаги
      • Дозаторы
      • Ёршики
      • Крючки
      • Мыльницы
      • Полки
      • Полотенцедержатели
      • Прочие аксессуары
      • Стаканы
      • Аэраторы
      • Донные клапаны
        • Универсальные
        • С переливом
        • Без перелива
        • Незапираемые
      • Запорные вентили
      • Картриджи
      • Подводка
        • Гибкая
        • Жёсткая
      • Сифоны
      • Сливы-переливы для ванн
      • Наборы комплектующих
    Доставка и оплата
    Контакты
    О нас
    Бренды
    +  ЕЩЕ
      Сравнение0
      Избранные товары 0
      Корзина 0
      masterbathroom masterbathroom
      Сравнение0 Отложенные 0 Корзина 0
      masterbathroom masterbathroom
      • Каталог
        • Назад
        • Каталог
        • Смесители
          • Назад
          • Смесители
          • Гигиенические души
            • Назад
            • Гигиенические души
            • С термостатом
            • Прогрессивный картридж
            • Традиционное управление
            • С запорным вентелем
          • Для биде
            • Назад
            • Для биде
            • С донным клапаном
            • Без донного клапана
          • Для ванны и душа
            • Назад
            • Для ванны и душа
            • Для ванны
            • Для душа
          • Для кухни
          • Для раковины
            • Назад
            • Для раковины
            • На раковину
            • Для накладных раковин
            • Скрытого монтажа
            • Напольные
            • Потолочные
            • Ручки для смесителей
          • Профессиональные
            • Назад
            • Профессиональные
            • Для парикмахерских
            • Медицинские
          • Сенсорные и порционные
            • Назад
            • Сенсорные и порционные
            • Сенсорные
            • Порционные
          • Смесители скрытого монтажа
            • Назад
            • Смесители скрытого монтажа
            • Боксы
            • Однопозиционные
            • Двухпозиционные
            • Трёхпозиционные
            • Четырёхпозиционные
            • Пятипозиционные
          • Термостатические смесители
            • Назад
            • Термостатические смесители
            • Настенного монтажа
            • Скрытого монтажа
          • Наборы смесителей
        • Душевая программа
          • Назад
          • Душевая программа
          • Верхний душ
            • Назад
            • Верхний душ
            • Для кронштейна
            • Настенные
            • Потолочные
          • Держатели ручного душа
            • Назад
            • Держатели ручного душа
            • Без шлангового подключения
            • С шланговым подключением
            • Комплекты для душа
          • Дивертеры
          • Душевые системы
            • Назад
            • Душевые системы
            • Внешнего монтажа
            • Скрытого монтажа
            • Напольные
          • Душевые стойки
            • Назад
            • Душевые стойки
            • Комплекты для душа
            • Стойки для душа
            • Мыльницы для штанги
          • Изливы
            • Назад
            • Изливы
            • Настенные изливы
            • Потолочные изливы
            • В борт ванны
            • Напольные
          • Кронштейны
            • Назад
            • Кронштейны
            • Настенные
            • Потолочные
          • Ручной душ
          • Форсунки
          • Шланги
          • Шланговые подключения
        • Керамика
          • Назад
          • Керамика
          • Унитазы
            • Назад
            • Унитазы
            • Подвесные
            • Приставные
            • Моноблок
          • Биде
            • Назад
            • Биде
            • Подвесные
            • Приставные
          • Комплектующие
            • Назад
            • Комплектующие
            • Донные клапаны
            • Крепёж
            • Крышки и сиденья
            • Бачки и механизмы смыва
            • Переливные крышки
          • Раковины
            • Назад
            • Раковины
            • Накладные
            • Напольные
            • Подвесные
        • Душевые ограждения
          • Назад
          • Душевые ограждения
          • Двери в нишу
          • Walk-In
          • Душевые углы
            • Назад
            • Душевые углы
            • Двери
            • Боковые стенки
            • Комплекты
          • Шторки для ванны
          • Аксессуары для душевой зоны
        • Мебель для ванной комнаты
          • Назад
          • Мебель для ванной комнаты
          • Готовые комплекты
          • Тумбы для раковин
          • Мебельные раковины
          • Пеналы и шкафы
          • Зеркала
          • Полки
        • Дренажные каналы и трапы
          • Назад
          • Дренажные каналы и трапы
          • Дренажные каналы
          • Трапы
        • Ванны
          • Назад
          • Ванны
          • Акриловые
            • Назад
            • Акриловые
            • Отдельностоящие
          • Из композитного материала
            • Назад
            • Из композитного материала
            • Отдельностоящие
            • Пристеночные
        • Инсталляции и панели смыва
          • Назад
          • Инсталляции и панели смыва
          • Для биде
          • Для унитаза
          • Кнопки и панели смыва
        • Аксессуары
          • Назад
          • Аксессуары
          • Вёдра
          • Держатели туалетной бумаги
          • Дозаторы
          • Ёршики
          • Крючки
          • Мыльницы
          • Полки
          • Полотенцедержатели
          • Прочие аксессуары
          • Стаканы
        • Комплектующие
          • Назад
          • Комплектующие
          • Аэраторы
          • Донные клапаны
            • Назад
            • Донные клапаны
            • Универсальные
            • С переливом
            • Без перелива
            • Незапираемые
          • Запорные вентили
          • Картриджи
          • Подводка
            • Назад
            • Подводка
            • Гибкая
            • Жёсткая
          • Сифоны
          • Сливы-переливы для ванн
          • Наборы комплектующих
        • Новинки
        • Распродажа
      • Доставка и оплата
      • Контакты
      • О нас
      • Бренды
      • Личный кабинет
      • Корзина0
      • Сравнение товаров0
      Главная
      —
      Каталог
      —
      Смесители
      —
      Гигиенические души
      —
      Прогрессивный картридж
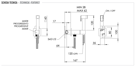
      —Гигиенический душ со смесителем Remer Absolute Q64CFP, чёрный брашированный хром
      Гигиенический душ со смесителем Remer Absolute Q64CFP, чёрный брашированный хром
      Гигиенический душ со смесителем Remer Absolute Q64CFP, чёрный брашированный хром
      Гигиенический душ со смесителем Remer Absolute Q64CFP, чёрный брашированный хром
      Гигиенический душ со смесителем Remer Absolute Q64CFP, чёрный брашированный хром
      Артикул: Q64CFP

      Гигиенический душ со смесителем Remer Absolute Q64CFP, чёрный брашированный хром

      Гигиенический душ со смесителем Remer Absolute Q64CFP, чёрный брашированный хром
      Подробности
      0000
      3 шт
      Цвет—Черный брашированный хром
      -%
      Экономия
      57 534 руб.
      Достаточно
      В корзинуВ корзине
      • Характеристики
      • Описание
      • Файлы для скачивания
      Общие характеристики
      Коллекция бренда
      Absolute
      Материал
      Латунь
      Назначение
      Гигиенический душ
      Отверстия для монтажа
      Одно
      Режимы ручного душа
      1
      Страна производства
      Италия
      Тип монтажа
      Скрытый монтаж
      Высота упаковки, мм
      110
      Длина упаковки, мм
      400
      Ширина упаковки, мм
      200
      Внешние свойства
      Поверхность
      Глянцевая
      Форма
      Квадратная
      Стилистика дизайна
      Современный стиль
      Функции
      Особенность
      Прогрессивный картридж
      Термостат
      Нет
      Оснащение
      Ручной душ в комплекте
      Да
      Скрытая часть
      В комплекте
      Гигиенический душ со смесителем Remer Absolute Q64CFP, чёрный брашированный хром
      Галерея
      0 фото —
      1/0 —
      Техническая схема 226 кб
      Рекомендации по уходу 180,4 кб
      masterbathroom masterbathroom

      Европейские бренды для ваших ванных комнат.

        remer_russia


        masterbathroom_pro


      Создание сайта WRP

      Каталог
      Смесители
      Душевая программа
      Керамика
      Душевые ограждения
      Мебель для ванной комнаты
      Дренажные каналы и трапы
      Ванны
      Инсталляции и панели смыва
      Аксессуары
      Комплектующие
      Новинки
      Распродажа
      Информация
      Доставка и оплата
      Контакты
      О нас
      Бренды
      Контакты

      +7 (495) 120-66-77

      info@masterbathroom.pro

      Адрес офиса и склада шоссе Энтузиастов, 2Д, территория Западная Коммунальная Зона, Балашиха

      Вся представленная на сайте информация, касающаяся технических характеристик, наличия на складе, стоимости товаров, носит информационный характер и ни при каких условиях не является публичной офертой, определяемой положениями Статьи 437(2) Гражданского кодекса РФ.
      Политика конфеденциальности